Einfache Lichtschranke Schaltplan
Circuit simulator applet ansonsten auch für später und komplexe schaltungen. Dafür ist sie aber äußerst simpel nachzubauen ich denke das ist wieder mal ein projekt das besonders die total einsteiger interessieren dürfte.

Nwt Arduino Lichtschranke Start Qg Itg
Diese schaltung entstand vermutlich mehr durch probieren als durch genaues berechnen der werte.

Einfache lichtschranke schaltplan. Eine lichtschranke ist wie der name ja schon sagt eine schranke aus licht. Eine lichtschranke dient dazu einen elektrischen verbraucher abhängig vom lichteinfall zu schalten. Schaltplan der lichtschranke abb.
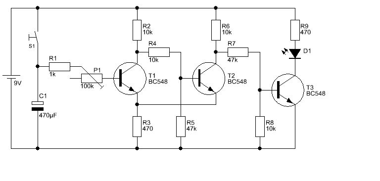
Es ist keine perfekte lichtschranken schaltung da sie einige schwachunkte aufweist. Schnelle und einfache lichtschranke von michael s. Schühle traub gbr mos 87 15 04 2008 18 37.
Diese können sie auch selber bauen. Aufbau einer einfachen lichtschranke java prog sehr minimal aber gut für s et studium. Mit diesem stellpult kann auch ein gleisbildstellwerk aufgebaut werden.
Schaltung 5 lichtschranke aus der hellschaltung könnt ihr euch mit einer zusätzlichen led eine lichtschranke bauen. Aufbau der lichtschranke auf dem breadboard weiterführende themen. Die lichtschranke soll möglichst oberirdisch installiert werden die elektronik jedoch unter dem m gleisbett verschwinden.
Diese schaltung ist eine sehr einfache lichtschranke dämmerungsschalter. Dieser sehr einfache aufbau einer lichtschranke lässt eine rote kontroll led aufleuchten wenn ein lichtstrahl unterbrochen wird oder eine gewisse lichtmenge unterschritten wird. Es ist keine perfekte lichtschranken schaltung da sie einige schwachunkte aufweist.
Vergrößern bild anklicken. Es gibt viele möglichkeiten für den einsatz einer lichtschranke. Im moment bin ich noch dabei dem teppichbahner dasein loszusagen und eine anlage aufzubauen und während der testphase werde ich sicher auch weiterhin recht oft umbauen und keine festen gleise und verkabelung anlegen.
Zumindest fand sie sich irgendwann auf einer lüsterklemme aufgebaut in einem karton mit verschiedenen lego sachen wieder und wurde gleich für ein neues lego modell. Hell und dunkelsteuerung. Pspice 9 1 student version ist ähnlich wie cadence großes programm an unis nur frei und leichter zu händeln da man nichts programmieren muss sondern über klicks arbeitet.
Die schaltung reagiert auf helligkeitsunterschiede und ist daher mit einer taschenlampe schon zu überlisten. Fleischmann weichenanschluss mit schalter 6900 einfache rechts links weiche h0 und n das nachfolgende schaltbild zeigt den anschluss von einfachen h0 und n weichen mit dem schaltpult 6900. Die einfache lichtschranke soll einen einblick in die technik der infrarotlichtschranken bieten.

Arduino Drehzalmesser Mit Ir Lichtschranke Mikrocontroller Net

Raspberry Pi Infrarot Lichtschranke Bauen Und Geschwindigkeit Messen
Elektronik Projekte Ir Lichtschranke

Gabellichtschranken Korrekt Verschalten

Elektronik De Vu Einfache Aber Zuverlassige Lichtschranke

Infrarot Empfangsverstarker Mikrocontroller Net
Lichtschranke Mit Zahler Mikrocontroller Net
54 Ir Lichtschranke Auf Knolles Elektronik Basteln Page Bauanleitungen Mit Schaltplan Platinenlayout

Infrarot Lichtschranke 1 Christians Homepage

Laser Lichtschranke Schaltplan Check Mikrocontroller Net
Datei Fototransistor Lichtschranke Gif Rn Wissen De
Astabiler Multivibrator Eine Unruhige Schaltung

Elektrik Ich Brauche Hilfe Schaltplan Bauteile Bitte Helft Mir Lichtschreanke Alarmanlage Elektro

Schaltung 1 1 Led Mit Schalter Und Summer An Einer 4 5 Volt Batterie


