[Ohne Titel]
The home of innovation. Impulsschalter fernschalter eltako stromstoßrelais schrittschalter oder schrittrelais.

Stromstossschalter Schrittschalter Anschliessen Und Verdrahten Elektricks Com
Als begriffe für stromstoßschalter sind auch gebräuchlich.

. 3 tastdimmer mit fernschalter tastdimmer mit fernschalter das eingebaute relais ist deiner aussage nach ein stromstoßschalter. Bestellschluss am 14 12 2020 für versand in 2020. Eltako stromstossschalter elektronisch es12 dx uc.
Was du brauchst ist aber ein kontakt der nur geschlossen ist wenn der taster gedrückt wird. Mehr informationen das benötigte material hier wie einen wechselschalter richtig verklemmen und anschließen website http bit ly. Anzeige link zum eltako s12 100 230v stromstoßschalter auf amaz.
Es ist aber auch möglich das alle taster den dimmer direkt ohne umweg über das. Die beiden letzten begriffe können auch. Schaltung 2 led schalter mit einem transistor eine led verhält sich anders wie eine glühbirne eine led leuchtet erst ab einer bestimmten spannung.
Stromstoßschalter schaltung mit schaltplan tasterschaltung. Das ferntastsystem fts14 modularer rs485 bus. Ansicht als liste raster.
Baureihe 14 rs485 bus reiheneinbaugeräte für die zentrale gebäudefunk installation. Dieser ist nur dazu geeignet das licht direkt ohne dimmer ein und aus zu schalten. Beim typischen einsatz ist er mit mehreren tastern verbunden über die er einen gemeinsamen verbraucher ein und ausschalten kann beispielsweise das licht im hausflur.
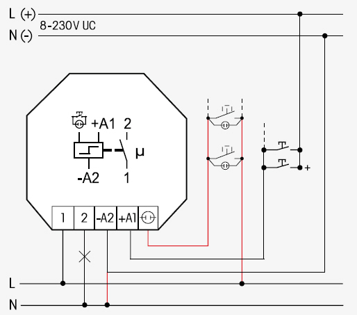
Des weiteren besitzt der stromstoßschalter noch einen l kontakt der mit der stromführenden phase verbunden wird und einen n kontakt zudem der nulleiter geführt wird. Eltako elektromechanischer stromstoßschalter s12 100 nennschaltleistung. Der schaltplan ist für 9 volt ausgelegt solltet ihr eine kleinere spannung verwenden dann einfach kleinen widerstände verwenden.
16 a steuerspannung 230v nach din en 61000 6 3 en 61000 6 1 en 6066 eltako s12 100 schaltplan test kaufen im juni 2020 ratgeber erfahrungen produkt vergleich günstig kaufen preisvergleich geld sparen in der kategorie stromstoßschalter relais eltako finden sie artikel von eltako funktion elektronisch schalter eltako s12 100 12v ac schalter stromstoßschalter 1 schließer. Anleitung tasterschaltung anschließen mit schaltplan produktlinks aus dem video. Stromstoßschalter sind elektromagnetisch betätigte schalter die bei einem elektrischen impuls ihren schaltzustand ändern.
Eingeschränkte tätigkeit von 15 12 2020 bis 10 01 2021. Der ausgang des stromstoßschalters wird wie aus der schaltung ersichtlich mit den lampen verbunden.
![]()
Stromstossschalter Ersetzen Eltako Es12dx Uc Ersatzteilversand Reparatur

Elektronische Stromstossschalter Die Lautlose Revolution Pdf Free Download
Stromstossschalter Stromstossrelais Gunstig Online Kaufen

Elektronisches Stromstossrelais Mikrocontroller Net
Taster Schalter Anschliessen Tasterschaltung Mit Anleitungsvideo

Verzogerte Elektronische Schrittschaltrelais Yokis

Eltako Tlz61np 230v Uc Treppenlicht Zeitschalter Doseneinbau Gerate Doseneinbau Gerate Elektromaterial Elektroland24 De Elektroshop

Theben Elpa 6 Treppenlicht Zeitschalter Elektronisch Treppenlichtzeitschalter

Eltako Es 61 Uc Stromstossschalter Doseneinbau Gerate Doseneinbau Gerate Elektromaterial Elektroland24 De Elektroshop

Flurbeleuchtung Mit Stromstossschalter Vereinfacht Youtube

Stromstossrelais Mit Taster In Serie Mikrocontroller Net
Elektronisches Stromstossrelais M Cmos 4013 4017 Oder 4049
Elektr Stromstossrelais Mit Reset
Stromstossschalter Mit Cmos Ic Nachbauen Mikrocontroller Net
Anleitung Tasterschaltung Anschliessen Mit Schaltplan
